Главная _ 
Анемостат со стеклянной внешней частью FOZA D 125 мм. Глянцевое стекло. Чёрный. RAL 9005
Анемостат со стеклянной внешней частью FOZA D 125 мм. Глянцевое стекло. Чёрный. RAL 9005
Описание:
- Стеклянные круглые и квадратные дизайнерские анемостаты (диффузоры) FOZA.
- Правильные геометрические формы придают завершённый вид.
- Анемостаты FOZA вписываются в любой интерьер.
- Особенности анемостатов FOZA: Широкая палитра 200 цветов.
- Благодаря технологии обработки стекла Optiwhite не искажается цветопередача.
- Анемостаты FOZA круглые и квадратные.
- Лицевая часть анемостатов FOZA изготавлена из специального стекла Optiwhite.
- Преимущество стекол Optiwhite:
- правильная цветопередача.
- максимальная пропускная способность света;
- отсутствие зеленоватого оттенка, присущего обычному стеклу;
- повышенная степень прозрачности.
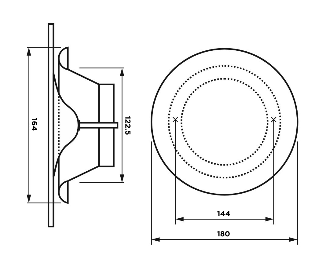
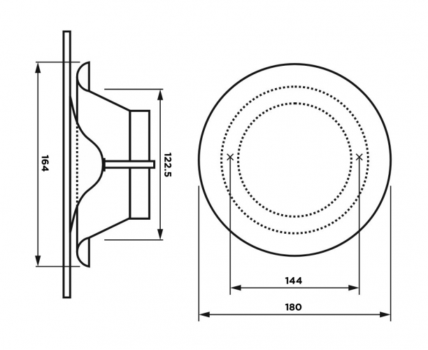
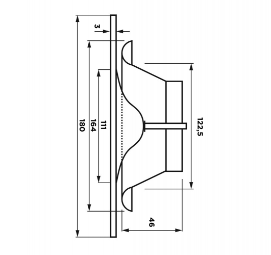
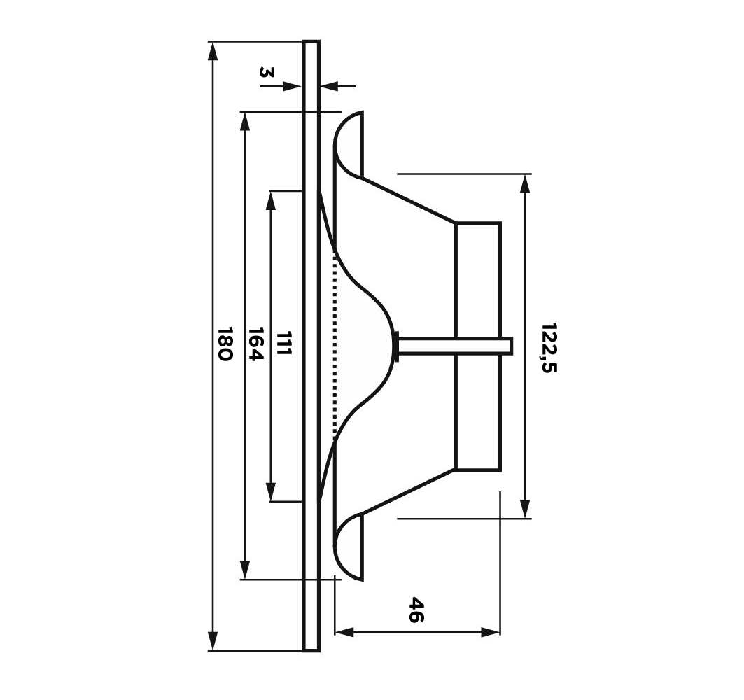
Характеристики:
| Модель: | Ф посадочный мм | Ф внешний | 
| FOZA-100 | 100 | 160 | 
| FOZA-125 | 125 | 180 | 
| FOZA-150 | 150 | 260 | 
| FOZA-160 | 160 | 260 | 
| Модель | Размеры, мм | |||
| D1 | D2 | D | d | |
| FOZA-100 | 136 | 160 | 129 | 98,5 | 
| FOZA-125 | 156 | 180 | 154 | 124 | 
| FOZA-150 | 209 | 260 | 189 | 148 | 
| FOZA-160 | 240 | 260 | 229 | 158 | 
| Производитель: | FOZA | 
| Цвет: | черный | 
| Особенности: | Регулируемые диффузоры | 
| Страна производства: | Россия. | 
| Серия: | Стеклянные Анемостаты FOZA | 
Авторизуйтесь, чтобы оставить отзыв: Войти




 








































