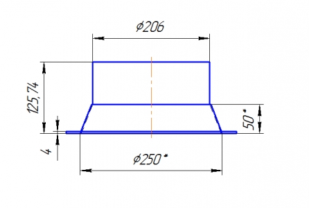
Описание диффузоров 20DK
Диффузоры 20ДК применяется для монтажа в подвесных потолках.
Предназначены для приточно-вытяжной вентиляции.
Монтаж диффузоров ДК при помощи шурупов или стопорного кольца.
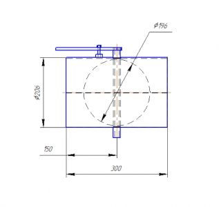
Обратная сторона диффузора 20DK с круглым соединительным фланцем.
С защитной сеткой от насекомых.
Внешняя часть диффузора легко снимается благодаря защелкам.
Легкая чистка сетки.





